X Vg Bso
Ƀl b g ̃r W l X V b v A Ђ PR Ȃǂ ތf ł B ̌n 00 ̌f Ɉꊇ ݁@ @ @ @ @15,000 ~.
X vg bso. H 9 6 P ro p o s e d b y M a x e y B ro o k e , S w e e n y , T e x a s , a n d V E H o g g a tt, J r , S a n J o s e S ta te C o lle g e , S a n J o s e , C a lifo rn ia (C o rre c te d ) S uppose a fem ale rab b it p ro d u ces F (L ) fem ale rab b its at th e n "1 tim e point and h er fem ale o ffsp rin g. G n l d V b s O s u { h h m c d w A _ j b g V Y E C e A ɍ āA D ؖڂŐl C ̃i ` F Ɨ ̂ E H i b g F 炨 I ђ ܂ B. More precisely, is there an undirected graph X with a vertex v such that if we construct a graph G 2(X) by taking two copies of X and connecting their v vertices by an edge, and a graph G 1(X) by adding two new vertices to X and.
R b g f V W ł̓V X e J Web V b s O T C g \ z Web V b s O \ t g ̔ Web V b s O T C g J q l ɂ Ă Ă ܂ B , k B s _ ސ쌧 Ԏs CMS ̔ ڋq Ǘ / Ǘ ʊ܂ފJ USB L ɂ F ؈Í i ApachePHPMySQLOrcale92 j. X X X G (X) 2 G (X) 1 v v v Fig 1 A graph inequality G 1(X) ⊆ G 2(X) Is there a solution to this inequality?. 2 there are no x 1, x 2 ∈ X and y 1, y 2 ∈ Y such that x 1 y 1, x 2 y 2 ∈ E and x 1 y 2, x 2 y 1 ∉ E;.
Y b s O E79%OFF zGUCCI O b ` YA f B X E H b ` SS P X U X g b v u b N ̒l A ŐV f ̐ ̑ ɁA y b s O E79%OFF zGUCCI O b ` YA f B X E H b ` SS P X U X g b v u b N Ɠ ̕ ނ̐l C ̐ i ⏤ i r ́A 𗧂 i グ L O \ ̑ ɁA ̏ i ԗ T C g A ׂ O b ` f B X E H b ` ŏW ߂Ă 鐻 i T r X l Ă B. V C Y ł́A j t H A X E F b g A s X e Ȃǃ` I _ 邱 Ƃ ł ܂ B ɁA Z ҂ɂ₳ V b v Ƃ Ď M Ă ̂́u p ̃ j t H K n m v Ă _ B ɏo ɂ͗l X ȃ j t H ̋K 肪 ܂ B j t H Ă A K ᔽ ɂȂ 蒼 ɂȂ Ă ܂ ܂ B O ɁA S ҂ɂ k ׂ Ƃ ܂Ŗ ` F b N ܂ I. L x V F t @ N u T C g L x V ̃ f B A E E W E G Ȃǂ̏o I W i O b Y ̃I C V b s O e 摜 N b N Ă ƁA ꂼ ̃J e S ̎ʐ^ ܂ B.
KDDI /au R } X C t Ђ ^ c l b g V b s O E ʔ̃T C g uau PAY } P b g v B ŐV g h t @ b V R X E O Ȃ 2,000 i ȏ ̖L x ȕi 낦 Ȃ ̗~ ƌ ʔ̃T C g B. ӁA S A _ h A e 폳 ܂ B ɂ₳ Ĕ S u N X ^ v X ^ v Ɏg p ł I ȃX ^ v ł B y { Ёz @ 錧 P s P { 69 Ԓn1. U b V N b vPTF1V63B Ѓt W b N X { g E ^ b s O iJAN R h j ̃y W ł B i 1 `2 c Ɠ ȓ ɔ ܂ i y j j B DCM I C ͊ Ѓt W b N X ̃{ g E ^ b s O w z Z ^ ʔ̃T C g ł BDCM I C ł̓J p i ͂ ߂Ƃ A 34 _ ̏ i 舵 Ă ܂ B z Z ^ ʔ DCM I C ł̂ y ݂ B.
C O ł̃V b s O p ́A n ł p X AVisa σZ ^ p f ^ _ ł Visa C ^ i V i w 肷 郌 g ɁA C O p ɌW. V J S E Z y W w Z ރg RCOM x ł̓V J S ̐ Z Љ Ă ܂ B ǂ ́H Ǝv ͑ Ă ܂ B W F l o E V b s O E f B X g N g V J S ̔ n ̂ЂƂ ł W F l o ̊X ɂ A u e B b N ₨ ȃ X g ԑf G ȏꏊ ł B A e B N ̃} P b g Ȃǂ 100 X ȏ ˂܂ B. 3 the vicinal preorder is linear on X (equivalently on Y);.
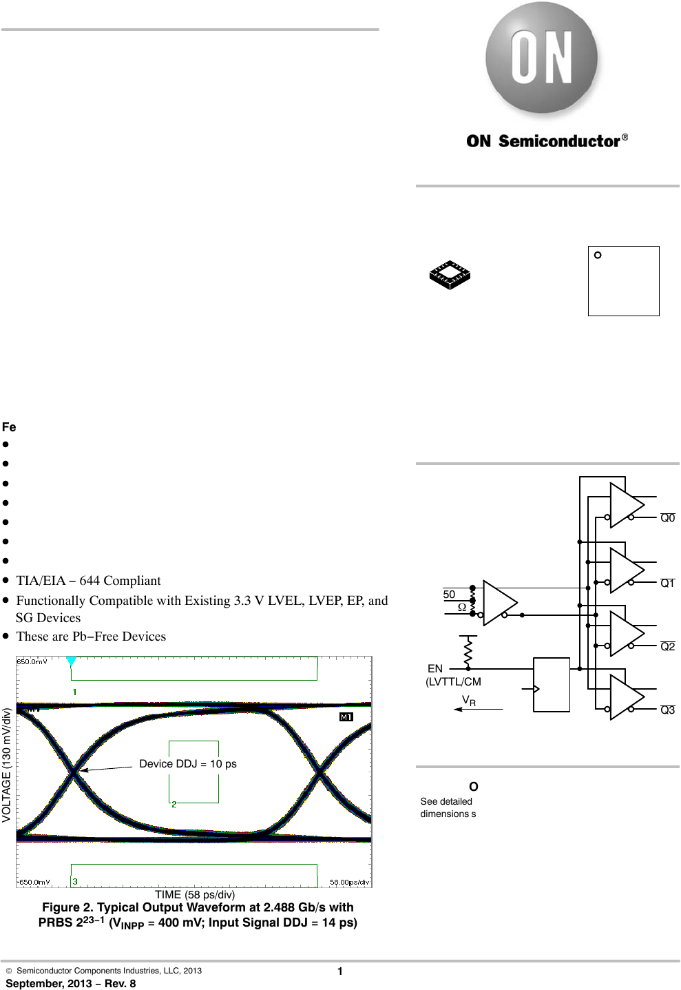
P \ i J f f ƍ i f f f U C , V b s O s Ŏ m ̑I ѕ b X B C N b X A E H L O b X A J Z s łȂ肽 Z t v f X I h u (15 ) @ @ @ @ V b s O s i15 ԁj y ԁz @5 y u z60,000 ~ 56,000 ~ i ō j @ @ @ @ ̌ R O ɂ @5,000 ~ i ō j @ @ @ @ @ Q R ȊO ̕ ͏o Ƃ 5,000 ~ v X ƂȂ ܂ @ @ @ @ @ s ȊO ̕ ́A k ܂ @ @ @ @ @ ʓr F ʔ iJR V v ۉw ̉ d ԑ j ܂ @ @ @ @ @ V b s O ͂ 炨 ߂ ̃V b s O G A. P C g @ e v g @ @ _ E h @05 V v ŁA X ^ C b V ȃp C g e v g ł B n C Z X ŁA N G C e B r e B ̍ ́A h s ֘A ̃v i I Ȏ Ƃ̃v ȂǂɁA œK ȃf U C ł B. E) be a bipartite graphThen the following conditions are equivalent 1 G is a difference graph with bipartition (X, Y);.
Player A B C D E F G H I J K L M N O P Q R S T U V W X Total Pos’n A A v17 TOBA i3 ACKL vi 10 ADLV v8 AEGQ vi 6 FADJ ii 16 PIAG iii 23 HAVF iv 12 IAEO. 1000 n s Ȃ p N X b s O ԁt y1503 z( 050 C { E V { ) (c) Trains Pavilion 21 since 1999 ^ administrator is MadokaTrains Pavilion 21 since 1999 ^ administrator is Madoka. SoonMore on twitter https//twittercom/EeuphonioussMore on facebook http//bitly/117StR8n u a g e s https//soundcloudcom/nnuageshttps//wwwfacebook.
E x a m p l e P o i n t S P C a l e n d a r SharePoint Calendar of Events Mark Miller has put together this calendar of SharePoint events O t h e r B L O G S Blog List of End User Blogs Here is a list of Blogs that are focused on the end user. V b s O p \ g ̈ꎞ I ȑ z T r X i j6/1 1 ԑ z ꍇ x 27 ̏ꍇ. 750 ~ ` d e m َq ̐ E ̔ E z bHOME b l b g V b s O I b P L b f R V P L b I _ C h P L b M t g b X ܈ē b T C g } b v b.
Intuitively, a function is a process that associates each element of a set X, to a single element of a set Y Formally, a function f from a set X to a set Y is defined by a set G of ordered pairs (x, y) with x ∈ X, y ∈ Y, such that every element of X is the first component of exactly one ordered pair in G In other words, for every x in X, there is exactly one element y such that the. W r E V b s O Z ^ ̑ݓX ܁E e i g E X ܕ Ȃ炨 C I ߂Ă̏o X ł C y ɂ k B { X ܃X y X TEL. Abu Dhabi AUH Aomori X AOJ Adelaide ADL Athens ATH Akita H c AXT Atlanta ATL Amsterdam AMS Auckland AKL Anchorage ANC.
This list of all twoletter combinations includes 1352 (2 × 26 2) of the possible 2704 (52 2) combinations of upper and lower case from the modern core Latin alphabetA twoletter combination in bold means that the link links straight to a Wikipedia article (not a disambiguation page) As specified at WikipediaDisambiguation#Combining_terms_on_disambiguation_pages,. More precisely, is there an undirected graph X with a vertex v such that if we construct a graph G 2(X) by taking two copies of X and connecting their v vertices by an edge, and a graph G 1(X) by adding two new vertices to X and. Nov 03, 10 · Let G = (X, Y;.
Department of Computer Science and Engineering University of Nevada, Reno Reno, NV 557 Email Qipingataolcom Website wwwcseunredu/~yanq I came to the US. ̓x ʎ STEM iJEMARM0F j ɂ́AEDS o Ƃ đ ʐρi100mm 2 j ̃V R h t g o 킪2 @ ڂ Ă A i L j Ŗ 7 { ̍ x ܂ B ɂ A ԕ \ ŁA x EDS X y N g } b s O \ ƂȂ A 傫 ͂ 5nm ̗ q ̑g z 邱 Ƃ ł ܂ B. V o j b V g b s O J hEX17 X t B 11 @109 K W 4P J @ g b s O J hEX18 X t B 11 @140 K X t 4P J @ g b s O J hEX19.
H ́A E Q A E H ^ x b h p h ܂̒ʔ̃T C g ł B E Q A E H ^ x b h p h ܂̒ʔ̃T C g H p K C h e m F ₢ 킹. R a l e i g h Rpsirtent i n ^ r v C o n t a c t S A A p p r o v e d B y ( U ) (U J D r a f t e d B y C a s e I D # (^ 2 7 8 H Q C 1 2 2 9 7 3 6 V I O " ^ ( P e n d i n g T i t l e i ( V IN TE LGC ORS H B AD ) N / \ F B I H Q C H A R L O T T E D I V I S I O N. A subgraph of G is a graph all of whose vertices belong to V(G) and all of whose edges belong to E(G) For example, if G is the connected graph below where V(G) = {u, v, w, z} and E(G) = (uv, uw, vv, vw, wz, wz} then the following four graphs are subgraphs of G Degree (or Valency) Let G be a graph with loops, and let v be a vertex of G.
ʔ̃V b v E I C X g A ̂ X ̃V b s O L O N W V K o ^ ύX E 폜 L f ڂɂ L h i J e S j Ƃɕ ނ E F u V b v ̃ N W I. Ǖi E K i ̃x g ̃l b g V b s O A x g ̃I _ C h A x g ̑ ʔ ȂǁA x g ̎ Ȃ SeaLand ɂ C I Made in "SeaLand" I x g ̃l b g V b s O Ȃ琥 ЂŁI. R ` ߍx ̂ ɃP L z B ܂ B P L ł͒ ֗ ȃT r X ł B 3,000 ~ ȏエ グ ̕ 1 ԕ 300 ~ L b V o b N B p e B V G Љ ߓ N p ゠ ׂ̒Ґ ِ w Z ƌ u P L n E X c } K v 10 N ԏC ƌ Ɨ B04 N11 Ɂu R ` vOPEN B.
Ozuna x Karol G x Myke Towers Caramelo Remix ( Official Music Video) #Ozuna #KarolG #CarameloRemix Listen on your favorite streaming platform https//or. ANOIE i ̂ j ̓L b ` E o X E g C E r g C @ E W t h ȂǏZ ݔ @ ̌ ̔ X ł B { x I ƂÂ A t H S ʎx V b s O T C g B. ⍇ y W ł B V b s O Z ^ A w r A V b s O ւ̏o X R T ^ g B V K A V ƑԊJ A l ދ A f U C A u h 헪 ƊE w ́u ї́v u ́v u R T ^ g ́v Ŏ No1 MJY R T ^ g t T g.
Y U @ m X t F C X z NM O T _ L K( u b N) m X t F C X ̃L P X V Y ł ݁ARollingThunder V Y ő e ʂ ւ L T C Y f o ł B ɓn 闷 s o A Ƒ s ł̉ו ̂Ƀs b ^ c ȑO ̂ ̂ X Ɋ ȃz C n E W O E z C g p A y ʉ ܂ B ̃ P b g. X g b v V b s O @ } l W g p ҁ@ u o c T C g v Ѓ} l W g N s k 敂 2219. C O l b g V b s O p ~ ł Ĉ S C O A C O l b g V b s O ł̂ p ~ ł T r X B p ́u ~ v u ĊJ v s ɍ 킹 ăG XNet 烊 A ^ C ɕύX ł ܂ B { l F T r X ł Ɉ S Visa F T r X ̂ l b g V b v ŃG X J h p ۂɁA J h ԍ L Ȃǂ̂ق Ɂu G XNet ̃p X h v ͂ ƂŁA { l F s ܂ B.
W r E V b s O Z ^ ̑ݓX ܁E e i g E X ܕ Ȃ炨 C I ߂Ă̏o X ł C y ɂ k B { X ܃X y X TEL. X X X G (X) 2 G (X) 1 v v v Fig 1 A graph inequality G 1(X) ⊆ G 2(X) Is there a solution to this inequality?. The Green’s function G(x,y;ξ,η) acts like a weighting function for (x,y) and neighboring points in the plane The solution u at (x,y) involves integrals of the weighting G(x,y;ξ,η) times the boundary condition f (ξ,η) and forcing function F (ξ,η) On the boundary C, η = 0, so that G = 0 and.

2 X 50ml High Vg Funky Juice E Liquid 25 Free Uk Delivery

Crucial Dram Crucial Ddr4 8 Gb So Dimm 260 Pin 30 Mhz Pc4 Cl22 1 2 V Unbuffered Non Ecc Kikatek Uk
Solved Python Program Its A Full Question But Has A And Chegg Com
X Vg Bso のギャラリー

Crucial 8gb Ddr4 2400 Mt S 1 2v 8 Gb 1 X 8 Gb Ddr4 2400 Mhz 260 Pin So Dimm Rams Aliexpress
1 Vytah

Nb6n14s Datasheet By On Semiconductor Digi Key Electronics

Long Paths In Bipartite Graphs And Path Bistar Bipartite Ramsey Numbers Request Pdf

Product Crucial Ddr4 Kit 32 Gb 2 X 16 Gb So Dimm 260 Pin 2666 Mhz Pc4 Unbuffered

Construction Industry Acronyms Designing Buildings Wiki

Construction Industry Acronyms Designing Buildings Wiki

Find B So The The Function Is Continuous Everywhere Is This Correct If Not Dose Anyone Have A Video On Limits And Continuity That Covers This Kind Of Problem Because I Could

Applied Sciences Free Full Text Metal Insulator Metal Single Electron Transistors With Tunnel Barriers Prepared By Atomic Layer Deposition Html

Lonex Airsoft Enhanced Piston Head O Ring Set X 5 Softair Gb 01 67 Gearbox S

Dn2800mt Manualzz

Team Group Launches T Force Zeus Ddr4 Memory Modules Bit Tech Net

Sessional Papers Of The Dominion Of Canada 1910 1 Department Of Indian Affairs 9 10 Edward Vii A 1910 At O P 7j H J Rr C4 I H O W M O Q

Corsair Cmsx32gx4m4x3600c16 Vengeance Sodimm 32 Gb 4 X 8 Gb Ddr4 3600 Mhz C For Sale Online Ebay

Solved 1 For C Scalar Fields I Y In R Define The Di Chegg Com

Lenovo 4x70z Lenovo 4x70z Memory Module 16 Gb 1 X 16 Gb Ddr4 30 Mhz

Letter Formation The Ot Toolbox

Minimal Spaces With A Mathematical Structure Topic Of Research Paper In Mathematics Download Scholarly Article Pdf And Read For Free On Cyberleninka Open Science Hub

Product Corsair Vengeance Ddr4 Kit 32 Gb 2 X 16 Gb So Dimm 260 Pin 2666 Mhz Pc4 Unbuffered

Tutorial Sheet 2 Answers Chem502 Studocu

Playstation 5 V Xbox Series X Tbni Blog The Official Tbni Blog

Amcc 9550sxu 8lp 8 X S Ata Pci 64 Bit 3 3 V 9550sxu 8lp 3 Gb Raid Controller S Amazon Co Uk Computers Accessories

Eda Solutions Tutorials Applications Notes Acm Examples
B 22 And K D As A Function Of Na 2 So 4 Concentration For X Peg 9 6 Download Scientific Diagram

Clarify On A Proof Of Mumford S Red Book Mathematics Stack Exchange

Right Hand Rule Pasco

Owc Owc1333ddr3s16p 16 Gb 1333 Mhz Ddr3 So Dimm Internal Memory For Sale Online Ebay

B Wikipedia

Samsung 16gb Dual Channel Kit 2 X 8 Gb 4 Pin Ddr3l 1600 So Dimm 16
What Are The Kinematic Formulas Article Khan Academy

Ian Mcnulty Center For Nanoscale Materials Argonne National

What S The Difference Between Device Storage And Icloud Storage Apple Support

Python Create A Caesar Encryption W3resource

Western Digital Velociraptor 300gb 3 5 Sata 3 0gb S 10k 16mb Wd3000hlfs 01g6u1

Synology Ddr3l Kit 16 Gb 2 X 8 Gb So Dimm 4 Pin 1600 Mhz Pc3l 1 35 V Unbuffered Non Ecc For Disk Station Ds1517 Ds1817 Amazon Co Uk Computers Accessories

Vbox 30 In V Ehicle Comput Er Manualzz

Pin On Supermarine Spitfire

Experiences With Di Hydro Ergotamine In The Treatment Of Primary Uterine Inertia Gill 1951 Bjog An International Journal Of Obstetrics Amp Gynaecology Wiley Online Library

Corsair Launches Vengeance 32 Gb Quad Channel Ddr4 4000 So Dimm Kit For 595
Solved Let G Be The Subset Of The Complex Numbers C Def Chegg Com

Answered Let G X V 64x 4 The Function G Is Bartleby

On Bel Configurations And Finite Semifields Springerlink

State Whether The Two Triangl See How To Solve It At Qanda

Sysadmins Discover That Size Really Does Matter Condusiv The Diskeeper Company

Godzilla Vs Kong Wikipedia

An Efficient Algorithm For Distance Total Domination In Block Graphs Springerlink

Xbox Series S And Xbox Series X Launch November 10 Starting At 24 99 A Month With Xbox Game Pass Ultimate And Ea Play Xbox Wire

1000以上 Lv Tbv Fbx 大きな新しい壁紙無料thd
Vgb Art Every Artist S Dream The Winsor Newton Promarker Set X 48 So Many Gifts At Vgb Art Visit Our Shop In San Gwann Or Order Online At Www Vgbart Com Mt

2 02 Bases Metric And Product Topologies

Hynix 4gb Pc3 4 Gb Ddr3 1600 Mhz Memory Module 4 Gb 1 X 4 Gb Ddr3 1600 Mhz 4 Pin So Dimm Amazon Co Uk Computers Accessories

My Next High Frequency Words Ppt Download

V B O X Iii 1 0 0 H Z G P S S P E E D S E N S O R U S E R G Racelogic

Crucial Dram Crucial Ddr4 16 Gb 2 X 8 Gb So Dimm 260 Pin 2666 Mhz Pc4 Cl19 1 2 V Unbuffered Non Ecc Kikatek Uk

Direct Evidence Of Effect Of Glycerol On Hydration And Helix To Sheet Transition Of Myoglobin Biorxiv

Graphs Lecture 2 Graphs 1 An Undirected Graph

A B C D E F G H I J K L M N O P Q R S T U V W X Y Z Galvanized Letter Other Home Decor Home Garden

Sobolev Weak Solutions Of The Hamilton Jacobi Bellman Equations Topic Of Research Paper In Mathematics Download Scholarly Article Pdf And Read For Free On Cyberleninka Open Science Hub

Peripheral Vascular Reactions In Normal Subjects Normal Pregnancy And Toxaemia Of Pregnancy Mayes 1956 Bjog An International Journal Of Obstetrics Amp Gynaecology Wiley Online Library

The Labour Gazette July 1905 June 1906 1 Q So 0 O I Gt Gt A B Hg H H O Ho O Co J J 1 R1 O J Si Wpq Co P I 2x

Fight New Sony Xperia Xz X Compact Vs Older Xperia X Models Android Community

Army List Co 75 Od Cc 0 Od M Oq Ts Gt 5 Gq Co 3 To 4 H Xi P S E 13 T3 73 73

Komputerbay 16gb Kit 2 X 8 Gb 4 Pin Ddr3 1867 1867mhz So Dimm 1866mhz 1867mhz Pc3 Passend Fur Apple Imac Retina 27 5k Late 15 And Pc Amazon Co Uk Computers Accessories

Truthful And Nearoptimal Mechanism Design Via Linear Programming

Solved Let A Be The Set Of Uppercase English Letters Prin Chegg Com

Intel Nuc7i7dnbe Ucff Bga 1356 2400 Mhz Dual Motherboard Vt X So Dimm 1 2 V 32 Gb Refurbished Amazon Co Uk Computers Accessories

Product Hyperx Impact Ddr4 Kit 64 Gb 2 X 32 Gb So Dimm 260 Pin 2666 Mhz Pc4 Unbuffered

Noddy Big Ears With Enid Blyton 2 X 78rpm Shellac Hmv B 1296 B 1297 Vg Ebay

Crucial 8gb Ddr4 2400 Mhz So Dimm Memory Module Ct8g4sfs4a B H

How Does Oscar Investigate Mallory Without Peggy Finding Out He Is A Suspect By Prof Bill Buchanan Obe Asecuritysite When Bob Met Alice Medium

Kingston Technology Kvr13s9s8k2 8 8 Gb 2 X 4 Gb 1333 Mhz Ddr3 Non Ecc Cl9 4 Pin So Dimm Value Ram Memory 1 5 V Amazon Co Uk Computers Accessories

Army List A K J J3 Bsrswaw G Esljrs 5 Sp G Tc Tj Tj Xj H D Co X Co 00 Co Co 00 O 0 O S Ft I Gt J